Ik heb een aantal Bluecap lnb op de kop getikt waarvan ik er nu 1 heb omgezet als zender.
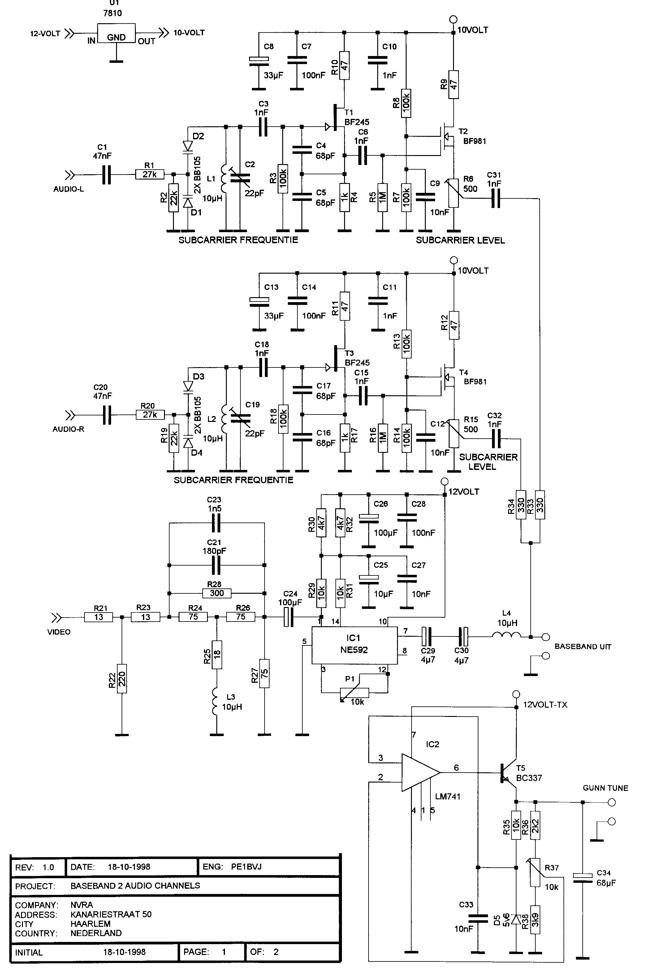
nu had ik nog een basisband module liggen ( alleen video gedeelte) volgens schema hieronder en deze probeer ik in te koppelen op de lnb.
Hij is omgezet volgens deze site http://www.qsl.net/pa3gco/zelfbouw/blau ... uwkap.html
nu zet ik het basisband signaal via een bc547B, het schema is te vinden in de uitleg van pa3gco, en krijg het volgende,
Filmpje.....: http://www.youtube.com/watch?v=0EiqVA1ayyc
wat zou de rede kunnen zijn dat het geheel niet stabiel beeld geeft?
Heb ook al geprobeerd om wat minder basisband signaal te geven maar dit helpt ook niet.
Groet Eric



