Transverter
Transverter
Heb een transverter gemaakt met gewoone spoelen i.p.v. Neosid,output is ongeveer 100mW.
Mixen doe ik met BF981.
Input is 28MHz, output is 100mW.
Bij voldoende animo laat ik printen maken.
http://i47.tinypic.com/axqvq.jpg
Groet,
Roel
Mixen doe ik met BF981.
Input is 28MHz, output is 100mW.
Bij voldoende animo laat ik printen maken.
http://i47.tinypic.com/axqvq.jpg
Groet,
Roel
Laatst gewijzigd door pa5rj op 25 jun 2012, 21:00, 3 keer totaal gewijzigd.
Ja daar ga je dan met 300000kM/sec....www.pa5rj.nl
Re: Transverter
Ziet er goed uit en ik ben benieuwd naar het schema.
Wat me opvalt zijn twee trimmers links op maximum, en een trimmer rechts op minimum, capaciteit.
René
Wat me opvalt zijn twee trimmers links op maximum, en een trimmer rechts op minimum, capaciteit.
René
Re: Transverter
Hallo René
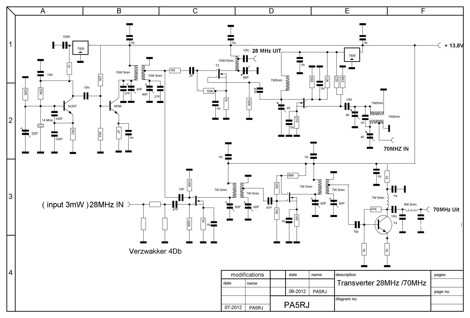
Het schema heb ik aangepast.
De trimmers bij de uitgang(links) is het lowpass,hier kunnen vaste condensatoren in.
http://i46.tinypic.com/11v1tux.jpg
De eerste verbinding in ssb is reeds gemaakt met EA6VQ
Het schema heb ik aangepast.
De trimmers bij de uitgang(links) is het lowpass,hier kunnen vaste condensatoren in.
http://i46.tinypic.com/11v1tux.jpg
De eerste verbinding in ssb is reeds gemaakt met EA6VQ
Laatst gewijzigd door pa5rj op 26 jun 2012, 16:41, 3 keer totaal gewijzigd.
Ja daar ga je dan met 300000kM/sec....www.pa5rj.nl
- Tjalling PE1RQM
- Forum beheerder

- Berichten: 1091
- Lid geworden op: 09 feb 2007, 22:13
- Roepletters: PE1RQM
- Locatie: Leusden
- Contacteer:
Re: Transverter
(Roel, gebruik gerust de bijlage functie van dit forum voor schema's en foto's hoor, dan hoef je Tinypic niet te gebruiken, het is maar wat je handig vindt
)
Re: Transverter
Hallo Roel (?),
Bedankt voor het schema.
Misschien kan ik nog wat tips geven?
Ik zet vaker bij de voedingslijn een LED om te zien of er voeding is en om regelaars (o.a. 78xx type) te belasten.
De meeste regelaars moeten minimaal 5mA leveren om goed te werken.
Verder kan een smoorspoel in o.a de 13,8V lijn geen kwaad.
Ook een zenerdiode van bijv. 18V en en een 1N4004 kunnen problemen of schade vermijden.
Extra zaken zoals (mute) relais en ingangsbeveiliging zijn natuurlijk ook mogelijk.
René
Bedankt voor het schema.
Misschien kan ik nog wat tips geven?
Ik zet vaker bij de voedingslijn een LED om te zien of er voeding is en om regelaars (o.a. 78xx type) te belasten.
De meeste regelaars moeten minimaal 5mA leveren om goed te werken.
Verder kan een smoorspoel in o.a de 13,8V lijn geen kwaad.
Ook een zenerdiode van bijv. 18V en en een 1N4004 kunnen problemen of schade vermijden.
Extra zaken zoals (mute) relais en ingangsbeveiliging zijn natuurlijk ook mogelijk.
René
Re: Transverter
Denk dat het forum het niet meer toe laat !Tjalling PE1RQM schreef:(Roel, gebruik gerust de bijlage functie van dit forum voor schema's en foto's hoor, dan hoef je Tinypic niet te gebruiken, het is maar wat je handig vindt)
Vandaar ik het met een linkje doe.
Ja daar ga je dan met 300000kM/sec....www.pa5rj.nl
- Tjalling PE1RQM
- Forum beheerder

- Berichten: 1091
- Lid geworden op: 09 feb 2007, 22:13
- Roepletters: PE1RQM
- Locatie: Leusden
- Contacteer:
Re: Transverter
Roel, ik heb je een mail gestuurd. Bood dat nog een oplossing? Ik kan het probleem met de bijlagenfunctie niet reproduceren. Het werkt hier gewoon. Aangezien dit forum op mijn eigen server draait en ik alles kan instellen, wilde ik dit graag voor je oplossen.
Zo werkt het bij mij...:
Zo werkt het bij mij...:

