Sa-bouwers,
de SMD ADC en DAC zijn binnen. Over twee weken wordt er begonnen aan het printje.
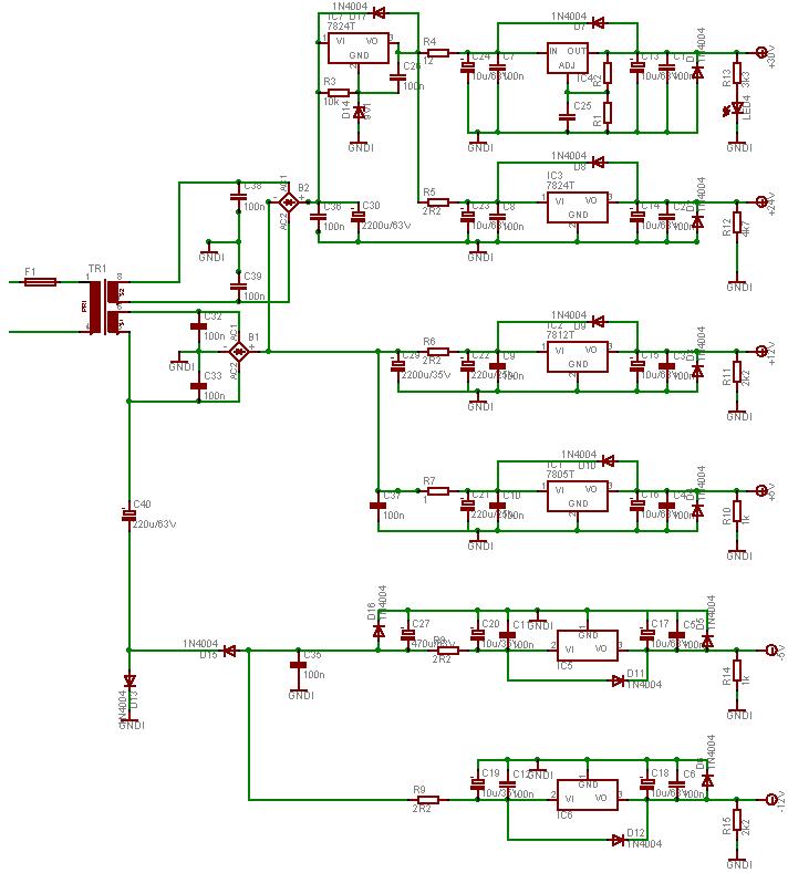
Ee voeding is klaar. Aangezien een 7824 en LM317 maximaal 40V tussen in- en uitgang mogen hebben is er een 7e regelaar, 7824+9V1 zener, toegevoegd.
De negatieve spanningen worden via een ladingspomp zoals in het schema van Timo gemaakt, maar wel met wat grotere elco's.
De voeding is o.a. getest met een 220V-2x15V trafo en levert -12, -5, +5, +12, +24 en +30V.
SA info mbt digitale besturing 3
Forumregels
Attentie: Dit zijn oude berichten en zeker niet meer actueel! Gebruik dit enkel als naslagwerk.
Attentie: Dit zijn oude berichten en zeker niet meer actueel! Gebruik dit enkel als naslagwerk.
- fred101
- .

- Berichten: 878
- Lid geworden op: 08 jun 2007, 08:08
- Roepletters: PA4TIM
- Locatie: Waardenburg
- Contacteer:
Re: SA info mbt digitale besturing 3
Nog nieuwe ontwikkelingen op digitaal gebied ?
PA4TIM's opvangtehuis voor buizenbakken: Link
Re: SA info mbt digitale besturing 3
Fred,
binnenkort wordt het printontwerp definitief .
Dit is het ADC-DAC printje. Van dit printje worden er dan een aantal gemaakt.
De rotary encoder, smd C's (klein maar fijn) etc. zijn ook binnen.
Vandaag is nog even gefilosofeerd over de I-out DAC's.
René
binnenkort wordt het printontwerp definitief .
Dit is het ADC-DAC printje. Van dit printje worden er dan een aantal gemaakt.
De rotary encoder, smd C's (klein maar fijn) etc. zijn ook binnen.
Vandaag is nog even gefilosofeerd over de I-out DAC's.
René
- fred101
- .

- Berichten: 878
- Lid geworden op: 08 jun 2007, 08:08
- Roepletters: PA4TIM
- Locatie: Waardenburg
- Contacteer:
Re: SA info mbt digitale besturing 3
Mooi, gezien het feit dat ik nu een HP SA heb lijkt het me logisch om voor de digitale versie te gaan. Zeker met een mooi digitaal kleurenschermpje.
Ook een mooie gelegenheid om wat ervaring met digitaal spul op te doen. Wat mij vooral handig lijkt is markers en waardes op het scherm.
PA4TIM's opvangtehuis voor buizenbakken: Link